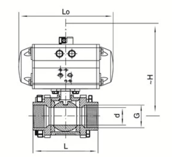
Pneumatic Actuated Three Piece Ball Valve