Flanged Triple Offset Butterfly Valve
Shipping
Description
Flanged Triple Offset Butterfly Valve
Body: ASTM A216 WCB
Disc: ASTM A216 WCB
Gland: ASTM A216 WCB
Gasket: Graphite
Seal Ring: SS304+Graphite
Retaining Ring: ASTM A105
End Cap: ASTM A105
Operation: Gear Operated, Electric Actuated, Pneumatic Actuated
End Connection: Flanged
Nominal Diameter: DN50 to DN500
Nominal Pressure: PN10 to PN63, Class150 to Class1500
Design and manufacture: BS5155/EN5953
Face to Face Dimensions: ASME B16.5, DIN3202 F4, EN558-1
Flanged End Dimension: DIN, ANSI B16.1, BS4504, EN1092
Inspection and Test: API 598
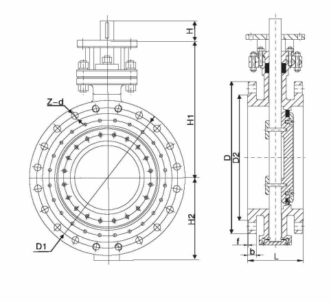
Dimensions Unit: mm
PN10
| DN | L | D | D1 | D2 | b | f | Z-d | H | H1 | H2 |
| 50 | 108 | 165 | 125 | 102 | 20 | 3 | 4-18 | 50 | 200 | 75 |
| 80 | 114 | 200 | 160 | 138 | 20 | 3 | 8-18 | 50 | 226 | 98 |
| 100 | 127 | 220 | 180 | 158 | 22 | 3 | 8-18 | 50 | 250 | 130 |
| 125 | 140 | 250 | 210 | 188 | 22 | 3 | 8-18 | 50 | 295 | 165 |
| 150 | 140 | 285 | 240 | 212 | 24 | 3 | 8-22 | 55 | 315 | 175 |
| 200 | 152 | 340 | 295 | 268 | 24 | 3 | 8-22 | 60 | 380 | 220 |
| 250 | 165 | 395 | 350 | 320 | 26 | 3 | 12-22 | 65 | 405 | 250 |
| 300 | 178 | 445 | 400 | 370 | 26 | 4 | 12-22 | 65 | 480 | 300 |
| 350 | 190 | 505 | 460 | 430 | 26 | 4 | 16-22 | 70 | 545 | 330 |
| 400 | 216 | 565 | 515 | 482 | 26 | 4 | 16-26 | 70 | 550 | 360 |
| 450 | 222 | 615 | 585 | 532 | 28 | 4 | 20-26 | 95 | 620 | 380 |
| 500 | 229 | 670 | 620 | 585 | 28 | 4 | 20-26 | 100 | 680 | 410 |
